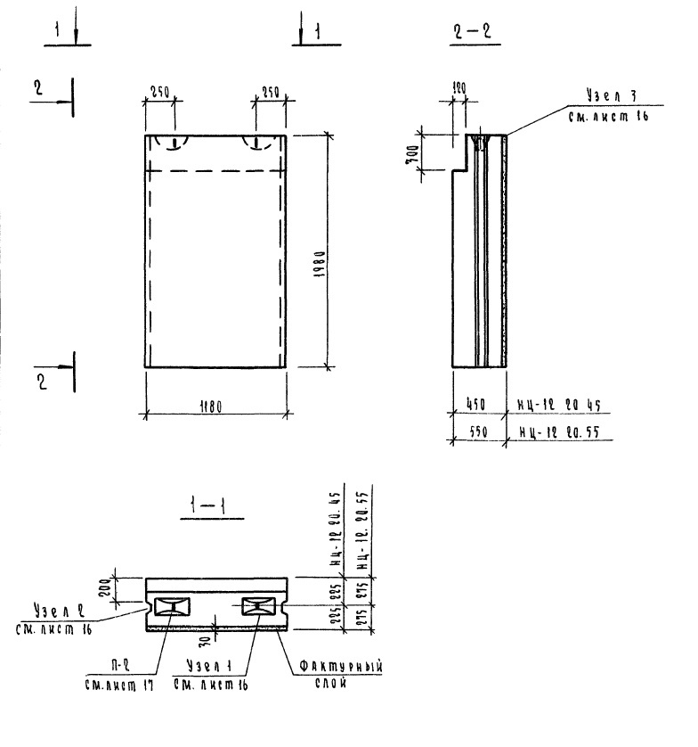
Цокольный блок НЦЛ 24-20-55 ТУ предназначен для использования в строительстве как элемент железобетонных конструкций. Он обладает высокой прочностью и устойчивостью к воздействию внешних нагрузок, что делает его идеальным выбором для создания надежных и долговечных зданий и сооружений.









